-
首页
-
关于丰源
-
产品中心
-
解决方案
-
服务支持
-
新闻中心
-
联系我们
-
首页
-
关于丰源
-
产品中心
-
解决方案
-
服务支持
-
新闻中心
-
联系我们
QRA53.E27...紫外线火焰探测器
自动燃烧炉专用
——————————————————————————
应用:该火焰探测器用于监控燃气火焰、黄/蓝燃油火焰,并且控制点火火花。
——————————————————————————
应用:该火焰探测器用于监控燃气火焰、黄/蓝燃油火焰,并且控制点火火花。
应用
该火焰探测器用于监控燃气火焰、黄/蓝燃油火焰,并且控制点火火花。
|
火焰探测器 |
用于燃烧控制器 |
运行模式 |
|
QRA2...,QRA10... |
LGB2... / LGB4... 带 AGQ1... LFL... LFE1... LFE10... LMG...带 AGQ2... LME21… / LME22… / LME39…带 AGQ3… / LME7... LMV2… / LMV3… LMV5…带 AGQ1… |
间歇运行 |
|
QRA53...,QRA55... |
LGK16... LGI16... |
持续运行 |
|
QRA73…, QRA75… |
LMV5… |
持续运行 |
功能
在这种监控模式下,燃气和燃油火焰所产生的紫外线辐射形成火焰信号。辐射探测器是一个带 2 个电极且紫外线灵敏的腔室,通过波长范围 190...270 nm 内的辐射点燃,从而在火焰探测器电路内产生电流。紫外线腔室对燃烧室的后加热耐火砖或日光没有反应。
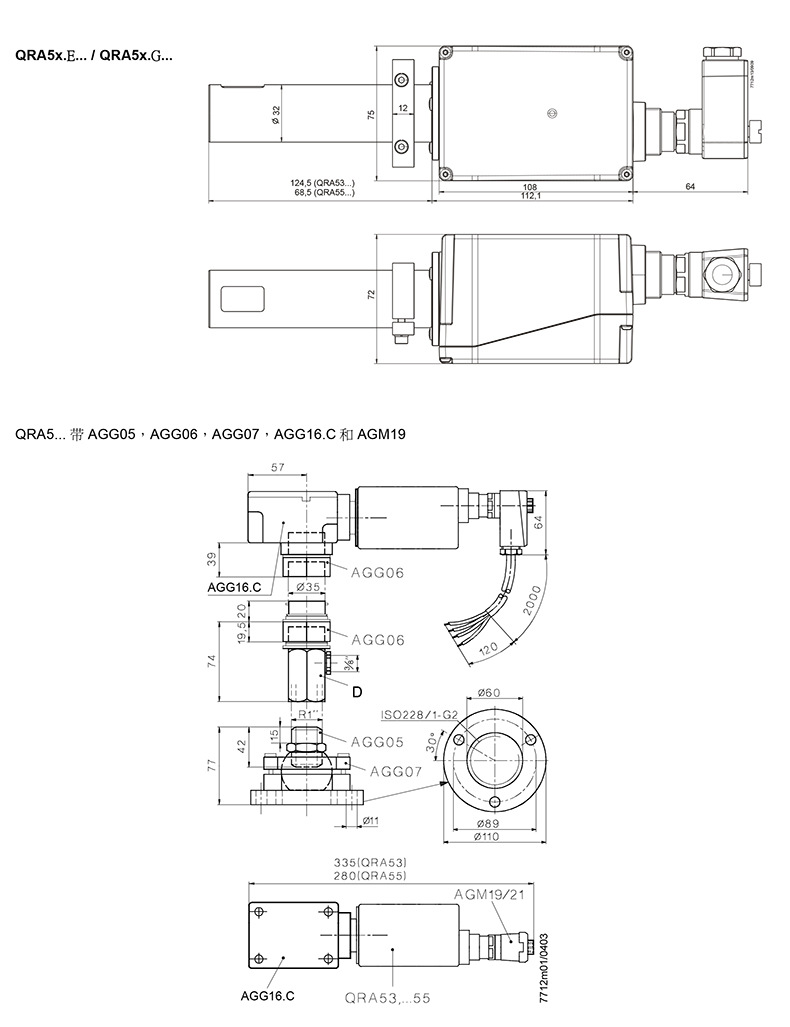
尺寸图


实景拍摄:



-
ꁸ 回到顶部
-
ꂅ 0510-86257996
-
ꁗ QQ客服
-
ꀥ 微信二维码

扫一扫
与我们取得联系
Fy-term
